 |
|
|
|
|

|
These glands
are liquid tight, easy to assemble and offers good strain
relief for wide clamping range. The gland is sealed against
housing through sealing lip. The glands comply with national
and international standards.
TECHNICAL
INFORMATION
Material : Polyamide 6
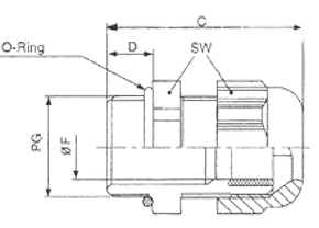
Construction Details Sizes
|
 |
|
|
|
Material : Polyamide 6
The easy- to assemble, world wide proven cable gland made of polyamide, Rolytube cable gland is suitable for universal
application, especially in machinery and equipment manufacture, in measuring and control instrument manufacture, in automation, electrical engineering and robotics.


Sizes
|
Part Number |
Type-PG-Size |
Clamping range |
Wrench size
mm |
C mm |
D mm
|
Pack size pieces |
|
Rolytube PG cable gland |
|
Clpg 7 |
Pg - 7 |
2,5 - 6.5 |
15 |
32 |
8 |
100 |
|
Clpg - 9 |
Pg - 9 |
3,5 - 8 |
19 |
36 |
8 |
100 |
|
Clpg - 11 |
Pg - 11 |
4 - 10 |
22 |
38 |
8 |
100 |
|
Clpg - 13,5 |
Pg - 13 , 5 |
6 - 12 |
24 |
41 |
9 |
100 |
|
Clpg - 16 |
Pg - 16 |
9 - 14 |
27 |
44 |
10 |
50 |
|
Clpg - 21 |
Pg - 21 |
13 - 18 |
33 |
49 |
11 |
50 |
|
Clpg - 29 |
Pg - 29 |
14 - 25 |
42 |
56 |
11 |
25 |
|
Clpg - 36 |
Pg - 36 |
24 - 32 |
53 |
66 |
13 |
10 |
|
Clpg - 42 |
Pg - 42 |
35 - 38 |
60 |
68 |
13 |
5 |
|
Clpg - 48 |
Pg - 48 |
39 - 44 |
65 |
69 |
14 |
5 |
|
Clpg - 16 X 1.5 |
M 16 X 1,5 |
3,5 - 8 |
19 |
40 |
12 |
100 |
|
Clpg - 20 X 1,5 |
M 20 X 1,5 |
5 - 12 |
24 |
45 |
13 |
100 |
|
Clpg - 25 X 1,5 |
M 25 X 1,5 |
9 - 14 |
27 |
47 |
13 |
50 |
 |
|
|
 |